Model: QJR8-700
Load: 8kg
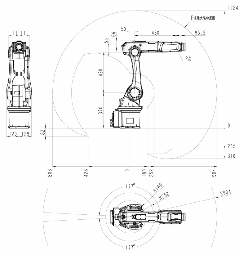
Arm span: 744mm
Repetitive positioning accuracy: ± 0.02mm
The overall system architecture of the robot iscompact, lightweight, large workspace, fastresponse, high repeat positioning accuracy,applicable to assembly, sorting, handling,loading and unloading applications.
| Model | QJR8-700 | ||
| Degree of freedom | 6 | ||
| Payload | 8kg | ||
| Wingspan | 744mm | ||
| Repeatability^2 | ±0.02mm | ||
| Mechanical limit range |
1 axis | ±182° | |
| 2 axis | +132 °, -98° | ||
| 3 axis | +65°, -190° | ||
| 4 axis | ±172° | ||
| 5 axis | ±125° | ||
| 6 axis | ±360° | ||
| Maximum speed |
1 axis | 5.6 rad/s | 320 °/ s |
| 2 axis | 5.6 rad/s | 320 °/ s | |
| 3 axis | 7 rad/s | 401°/ s | |
| 4 axis | 7.5 rad/s | 429 °/ s | |
| 5 axis | 7.5 rad/s | 429 °/ s | |
| 6 axis | 12 rad/s | 687 °/ s | |
| Allowable torque |
4 axis | 33.6N.m | |
| 5 axis | 18.4 N.m | ||
| 6 axis | 15.8N.m | ||
| Moment of inertia |
4 axis | 1.21kg.m 2 | |
| 5 axis | 0.87 kg.m2 | ||
| 6 axis | 0.42 kg.m2 | ||
| Body weight | 45 kg | ||
| Protection level | IP65 | ||
| Installation Environment |
Temperature | 0 ~45 ℃ | |
| Humidity | 20% ~80% RH(No condensation) | ||
| Vibration | <4.9m/s 2 (0.5G) | ||
| Others | Avoid flammable and corrosive gases and liquids; Avoid contact with water, oil, dust, etc.;Keep away from sources of electrical noise. |
||
| Battery capacity | 1.5kVA (Yaskawa 1.0 kVA) | ||
| Installation method | Ground installation, suspended installation. | ||

