3kg payload 620 mm reaching distance 6 axis collaborative robot

  • The cobot arm is mainly used for handling, palletizing, pick and place, also arc welding, with high reliability and excellent performacne.
  • This cobot is able to operate multiple procedure in narrow space, lightweight, compact structure.
  • With collaborative feature, the cobot can extend your time and space, liberate human from repeat work and hazard enviroment.
  • Repeat positioning accuracy: ±0.02mm
  • Armspan: 620mm
  • payload: 3kg

Technical Parameters

Model R3-063S
Robot Arm Net Eeight
(without cables)
14KG
Payload 3KG
Armspan 620mm
Degree of Freedom 6
Motion
Range
Joint 1 ±360°
Joint 2 ±360°
Joint 3 ±165°
Joint 4 ±360°
Joint 5 ±360°
Joint 6 ±360°
Motion
Speed
Joint 1 220°/s
Joint 2 220°/s
Joint 3 240°/s
Joint 4 360°/s
Joint 5 360°/s
Joint 6 360°/s
EOA Maximum Speed 2m/s
Repeat Positioning Accuracy (maximum) ±0.02mm
Absolute Positioning Accuracy (maximum) 0.5mm
Control Bus/Frequency EtherCAT/1kHz
Installation Method any angle
Typical Power 150W
Material Aluminum alloy
Ambient Temperature -5°C55°C
Working Environment (humidity) 5%90%RH
no condensation
Cable Length 4m
IP GRADE IP54
Noise 60dB
Tool End IO Port digital input*2digital output*2
analog input*2output power supply24V/1A*1
Tool End Communication Port EtherCAT*1RS485*1
output power supply24V/1A*1

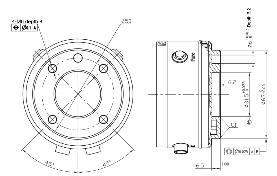
Robot Overall Dimension & Base and End Flange Dimension

3kg payload 620 mm collaborative robot Dimension 1
3kg payload 620 mm collaborative robot Dimension 2
3kg payload 620 mm collaborative robot Dimension 3
3kg payload 620 mm collaborative robot Dimension 4

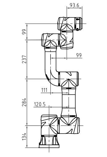
Robot Motion Range

3kg payload 620 mm collaborative robot Motion Range 1
3kg payload 620 mm collaborative robot Motion Range 2

evs robot logo
Privacy Overview

This website uses cookies so that we can provide you with the best user experience possible. Cookie information is stored in your browser and performs functions such as recognising you when you return to our website and helping our team to understand which sections of the website you find most interesting and useful.