50kg Payload 2012mm Reaching Distance Robotic Arm QJR50-1

  • Highly compact design.
  • Large workspace, high running speed, high repeat positioning accuracy, suitable for deburring, loading and unloading, handling, sorting, assembly and other wide range of applications.
  • Repeat positioning accuracy: ±0.07mm
  • Armspan: 2012mm
  • Payload: 50kg

Database Download

3D Drawings

Instructions

Technical Parameters

Model QJR50-1
Axis Number 6
Payload 50kg
Repeat Positioning ±0.07mm
Max Armspan 2012.4mm
Motion Range J1 ±180º
J2 ﹢135º,﹣90º
J3 ﹢82º,﹣205º
J4 ±360º
J5 ±120º
J6 ±360º
Max Speed J1 155º/s
J2 120º/s
J3 155º/s
J4 250º/s
J5 250º/s
J6 350º/s
Allowable Torque J4 245N.m
J5 245N.m
J6 147N.m
Inertia Moment J4 12.5kg.m²
J5 12.5kg.m²
J6 4.5kg.m²
Robot Body Weight 580kg
Power Capacity 10kVA
Cabinet Size 650*750*1150mm
Cabinet Weight 120kg
Source Three-phase four-wire
Installing Form Ground
Application Deburring, loading and unloading, handling, dividing, assembling, etc.

Robot Overall Dimension and Motion Range Drawing

50kg Payload 2012mm Robotic Arm QJR50-1 Motion Range Drawing

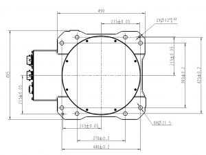
Robot Base Mounting Dimension Drawing

50kg Payload 2012mm Robotic Arm QJR50-1 Mounting Dimension Drawing

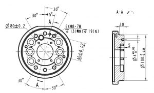
Robot End Installation Dimension Drawing

50kg Payload 2012mm Robotic Arm QJR50-1 End Installation Dimension Drawing

evs robot logo
Privacy Overview

This website uses cookies so that we can provide you with the best user experience possible. Cookie information is stored in your browser and performs functions such as recognising you when you return to our website and helping our team to understand which sections of the website you find most interesting and useful.