6kg Payload 2001mm Reaching Distance Handling Robot QJR6-3

  • The mechanical structure is simple and compact. You can select ground or inverse installation.
  • Welding robot reach is nearly 2 meters. Large working space, suitable for large products in the welding operation.
  • Fast running speed, high repeat positioning accuracy, suitable for welding, loading and unloading, handling, assembly and other applications.
  • Repeat positioning accuracy: ±0.05mm
  • Armspan: 2001mm

Database Download

Maintenance Manuals

Instructions

Technical Parameters

Model QJR6-3
Axis Number 6
Payload 6kg
Repeat Positioning ±0.05mm
Max Armspan 2001mm
Motion Range J1 ±172º
J2 ﹢166º,﹣100º
J3 ﹢83º,﹣92º
J4 ±170º
J5 ±125º
J6 ±360º
Max Speed J1 172º/s
J2 172º/s
J3 201º/s
J4 430º/s
J5 447º/s
J6 573º/s
Allowable Torque J4 8.81N.m
J5 8.81N.m
J6 3.14N.m
Inertia Moment J4 0.2kg.m²
J5 0.2kg.m²
J6 0.03kg.m²
Robot Body Weight 255kg
Power Capacity 3.8kVA
Cabinet Size 580*600*960mm
Cabinet Weight 130kg
Source Three-phase four-wire
Installing Form Ground, Ceiling
Application Welding,  painting, loading and unloading, handling, sorting, assembly etc.

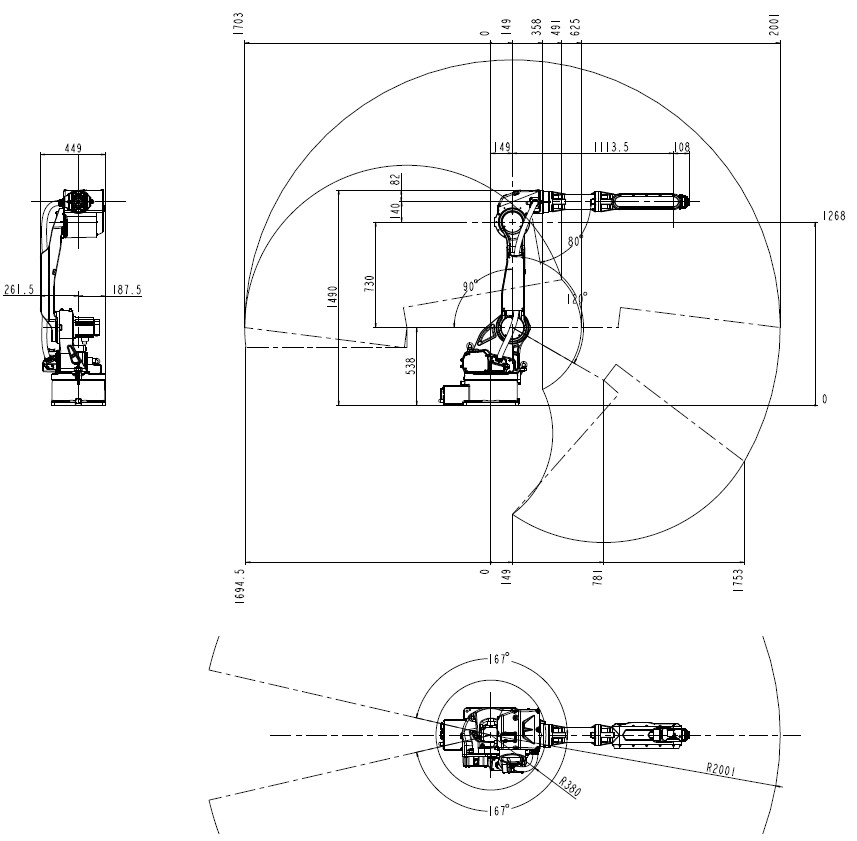
Robot Overall Dimension and Motion Range Drawing

6kg Payload 2001mm Handling Robot QJR6-3 Motion Range Drawing

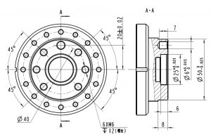
Robot Base Mounting Dimension Drawing

6kg Payload 2001mm Handling Robot Mounting Dimension Drawing

Robot End Installation Dimension Drawing

6kg Payload 2001mm Handling Robot End Installation Dimension Drawing

evs robot logo
Privacy Overview

This website uses cookies so that we can provide you with the best user experience possible. Cookie information is stored in your browser and performs functions such as recognising you when you return to our website and helping our team to understand which sections of the website you find most interesting and useful.