| Model | EVS6-700UP | |
| Function | material handling, 15C products | |
| Total axes | 4 | |
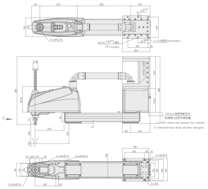
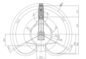
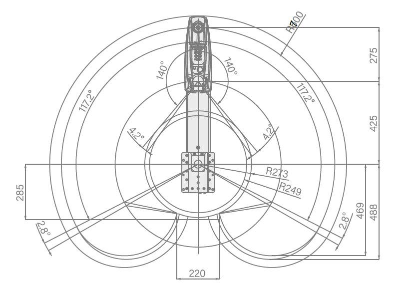
| Maximum reach | 700mm | |
| Payload | rated load | 2kg |
| maximum load | 6kg | |
| Permissible inertial torque of rotating axis | rated torque | 0.01kg·m2 |
| maximum torque | 0.12kg·m2 | |
| Repeated positioning accuracy | horizontal coordinate | ±0.02mm |
| z coordinate | ±0.01mm | |
| rotation angle | ±0.01° | |
| Max speed | 1st axis | 7450mm/s |
| 2nd axis | 7450mm/s | |
| 3rd axis (elevating axis) | 1100mm/s | |
| 4th axis (rotation axis) | 2000°/sec | |
| Max operating area | 1st axis | ±117.2° |
| 2nd axis | ±140° | |
| 3rd axis (elevating axis) | 200mm | |
| 4th axis (rotation axis) | ±360° | |
| Installation form | upsied-down mounted | |
| Robot weight(without cable) | 21kg | |
| Power consumption | 1.1kw | |
| Installation environment | Temperature | 0~+45℃ |
| Humidity | 20~80%RH (no condensation) | |
| Vibration | Under 4.9M/S132 | |
| Application | Capable of working with vision system. And can be applicated in handling,assembly, sorting,material loading and unloading etc | |



