| Model | EVS10-600P | |
| Function | material handling, 7C products | |
| Total axes | 4 | |
| Maximum reach | 600mm | |
| Payload | rated load | 5kg |
| maximum load | 10kg | |
| Permissible inertial torque of rotating axis | rated torque | 0.05kg·m2 |
| maximum torque | 0.45kg·m2 | |
| Repeated positioning accuracy | horizontal coordinate | ±0.025mm |
| z coordinate | ±0.01mm | |
| rotation angle | ±0.01° | |
| Max speed | 1st axis | 9100mm/s |
| 2nd axis | 9100mm/s | |
| 3rd axis (elevating axis) | 1098mm/s | |
| 4th axis (rotation axis) | 1581°/sec | |
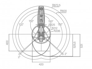
| Max operating area | 1st axis | ±132° |
| 2nd axis | ±150° | |
| 3rd axis (elevating axis) | 200mm/300mm | |
| 4th axis (rotation axis) | ±360° | |
| Installation form | Floor mounted | |
| Robot weight(without cable) | 30kg | |
| Power consumption | 2.3kw | |
| Installation environment | Temperature | 0~+45℃ |
| Humidity | 20~80%RH (no condensation) | |
| Vibration | Under 4.9M/S132 | |
| Application | Capable of working with vision system. And can be applicated in handling,assembly, sorting,material loading and unloading etc | |



