Painting Robotic Arm QJRP10-1

  • No front singularity wrist construction, optional built-in pipeline, making synchronous tracking spraying teaching job easier.
  • Using bus-structure, convenient for expansion and high speed
  • Repeat positioning accuracy: ±0.5mm
  • Armspan: 2035mm
  • Payload: 10kg

Database Download

3D Drawings

Instructions

Technical Parameters

Model QJRP10-1(Explosion-proof)
Axis Number 6
Payload 10kg
Repeat Positioning ±0.5mm
Max Armspan 2035mm
Motion Range J1 ±95º
J2 ﹢102º,﹣53º
J3 ﹢87º,﹣80º
J4 ±260º
J5 ±270º
J6 ±260º
Max Speed J1 109º/s
J2 126º/s
J3 109º/s
J4 361º/s
J5 361º/s
J6 361º/s
Allowable Torque J4 30.4N.m
J5 19.6N.m
J6 9.8N.m
Inertia Moment J4 0.97kg.m²
J5 0.4kg.m²
J6 0.1kg.m²
Robot Body Weight 370kg
Power Capacity 3.9kVA
Cabinet Size 650*750*1150mm
Cabinet Weight 120kg
Source Three-phase four-wire
Installing Form Ground
Application For painting, there is no singularity point, making the teaching programming much easier.

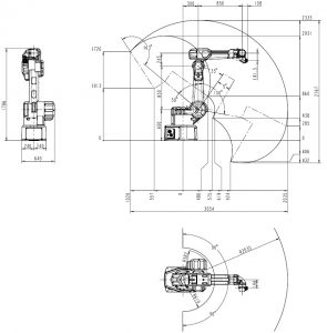
Robot Overall Dimension and Motion Range Drawing

Painting Robotic Arm QJRP10-1 Motion Range Drawing

Robot Base Mounting Dimension Drawing

Painting Robotic Arm QJRP10-1 Mounting Dimension Drawing

Robot End Installation Dimension Drawing

Painting Robotic Arm QJRP10-1 End Installation Dimension Drawing

evs robot logo
Privacy Overview

This website uses cookies so that we can provide you with the best user experience possible. Cookie information is stored in your browser and performs functions such as recognising you when you return to our website and helping our team to understand which sections of the website you find most interesting and useful.