10kg Payload 800mm 4 Axis High Speed High Rigidity SCARA Robot EVS10-800P

  • This SCARA robot is with compact and flexible structure, fast running speed, high transmission accuracy and low noise.
  • It can be applied in handling, palletizing, assembly, 3C and other fields.
  • Maximum Reach: 800mm
  • Rated Payload: 5kg
  • Max Payload: 10kg

Technical Parameters

Model EVS10-800P
Function material handling, 9C products
Total axes 4
Maximum reach 800mm
Payload rated load 5kg
maximum load 10kg
Permissible inertial torque of rotating axis rated torque 0.05kg·m2
maximum torque 0.45kg·m2
Repeated positioning accuracy horizontal coordinate ±0.025mm
z coordinate ±0.01mm
rotation angle ±0.01°
Max speed 1st axis 10600mm/s
2nd axis 10600mm/s
3rd axis (elevating axis) 1098mm/s
4th axis (rotation axis) 1581°/sec
Max operating area 1st axis ±132°
2nd axis ±152°
3rd axis (elevating axis) 200mm/300mm
4th axis (rotation axis) ±360°
Installation form Floor mounted
Robot weight(without cable) 32kg
Power consumption 2.3kw
Installation environment Temperature 0~+45℃
Humidity 20~80%RH (no condensation)
Vibration Under 4.9M/S132
Application Capable of working with vision system. And can be applicated in handling,assembly, sorting,material loading and unloading etc

Dimension

SCARA Robot EVS10-800H Dimension

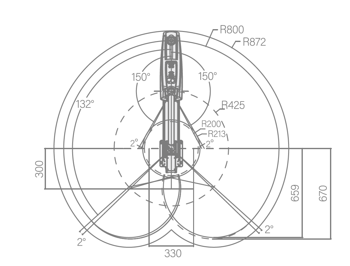
Motion Range

SCARA Robot EVS10-800H Motion Range

evs robot logo
Privacy Overview

This website uses cookies so that we can provide you with the best user experience possible. Cookie information is stored in your browser and performs functions such as recognising you when you return to our website and helping our team to understand which sections of the website you find most interesting and useful.