| Model | EVS3-400P | |
| Function | material handling, 3C products | |
| Total axes | 4 | |
| Maximum reach | 400mm | |
| Payload | rated load | 1kg |
| maximum load | 3kg | |
| Permissible inertial torque of rotating axis | rated torque | 0.005kg·m2 |
| maximum torque | 0.05kg·m2 | |
| Repeated positioning accuracy | 1st axis+2nd axis | ±0.01mm |
| 3rd axis (elevating axis) | ±0.01mm | |
| 4th axis (rotation axis) | ±0.01° | |
| Max speed | 1st axis | 6000mm/s |
| 2nd axis | 6000mm/s | |
| 3rd axis (elevating axis) | 1000mm/s | |
| 4th axis (rotation axis) | 2600°/sec | |
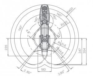
| Max operating area | 1st axis | ±132° |
| 2nd axis | ±141° | |
| 3rd axis (elevating axis) | 150mm | |
| 4th axis (rotation axis) | ±360° | |
| Installation form | Floor mounted | |
| Robot weight | 16Kg | |
| Power consumption | 0.7kw | |
| Installation environment | Temperature | 0~+45℃ |
| Humidity | 20~80%RH (no condensation) | |
| Vibration | Under 4.9M/S131 | |



